Historic Landmark CommissionDec. 10, 2025

04.0 - 1105 Maufrais St — original pdf

Backup
Thumbnail of the first page of the PDF
Page 1 of 9 pages

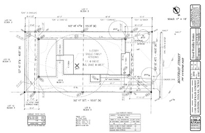
r e h t o d n a i , s n o s n e m d i , s t n e m e r u s a e m e h T C , t n e m u c o d s h i t n o n w o h s l . y n o e s u n o i t c u r t s n o c r o f , s n o i t a c i f i c e p s s e n i l i e d u g e r a 4 0 0 D 2 A C O T U A . e k i l k o o l l l i w e r u t c u r t s d e t l e p m o c e h t t a h w f o n o i t t a n e s e r p e r a s a n o d e i l e r e b t o n y a m t n e m u c o d s h T i . y r a v y a m e r u t c u r t s d e h s n i i f e h t f o s n o i t a c i f i c e p s l a u t c a e h T s e m o H y e l k e e W d i v a D ' 0 1 = ' ' 1 5 2 / 2 0 / 2 1 / 5 2 8 0 5 0 / C D 8 3 5 4 0 2 7 8 1 0 - - - - - T E E R T S S I A R F U A M 5 0 1 1 3 0 7 8 7 , S A X E T , N I T S U A NORTH C388-A PLT-PLN-1 HEMPHILL ADOPTED CODES NOTE: THESE PLANS HAVE BEEN DRAWN IN COMPLIANCE WITH ALL ADOPTED CODES: - INTERNATIONAL BUILDING CODE - 2024 - INTERNATIONAL RESIDENTIAL CODE FOR ONE AND TWO FAMILY DWELLINGS - 2024 - INTERNATIONAL ENERGY CONSERVATION CODE - 2024 - UNIFORM MECHANICAL CODE - 2024 - INTERNATIONAL FIRE CODE - 2024 AS AMENDED BY TRAVIS COUNTY ESD #6. - INTERNATIONAL GAS CODE - 2024 - NATIONAL ELECTRICAL CODE - 2023 - UNIFORM PLUMBING CODE - 2024 OR AS ADOPTED BY THE SERVICE PROVIDER - INTERNATIONAL EXISTING BUILDING CODE - 2024 - INTERNATIONAL PROPERTY MAINTENANCE CODE - 2024 EDITION - CITY OF AUSTIN LOCAL AMENDMENTS - WILDLAND URBAN INTERFACE - 2024 GENERAL NOTES SPECIFIC MANUFACTURES AND MODEL NUMBERS SHOWN ON THE PLANS ARE INDICATIONS OF QUALITY ONLY. THE OWNER/BUILDER SHALL NOT BE PROHIBITED FROM SUBSTITUTING MATERIALS AND/OR APPLIANCES OF EQUAL QUALITY/STRENGTHS FROM NON-SPECIFIED MANUFACTURERS. THE OWNER/BUILDER MAY SUBSTITUTE MATERIALS PROVIDED THEY MEET CURRENT BLDG. CODE, AND ARE APPROVED FOR THAT SPECIFIC USE BY THE BUILDING OFFICIAL. PLEASE SEE ADDITIONAL NOTES CALLED OUT ON OTHER SHEETS. THE GENERAL CONTRACTOR/ HOME OWNER IS RESPONSIBLE FOR THE DESIGN AND PROPER FUNCTION OF PLUMBING, HVAC AND ELECTRICAL SYSTEMS. THE DESIGNER SHALL NOT BE RESPONSIBLE FOR CONSTRUCTION MEANS AND METHODS, ACTS OR OMISSIONS OF THE CONTRACTOR OR SUBCONTRACTOR, OR FAILURE OF ANY OF THEM TO CARRY OUT WORK IN ACCORDANCE WITH THE CONSTRUCTION DOCUMENTS. AND DEFECT DISCOVERED IN THE CONSTRUCTION DOCUMENTS SHALL BE BROUGHT TO THE ATTENTION OF THIS OFFICE BY WRITTEN NOTICE BEFORE PROCEEDING WITH WORK. REASONABLE TIME NOT ALLOWED THIS OFFICE TO CORRECT THE DEFECT SHALL PLACE THE BURDEN OF COST AND LIABILITY FROM SUCH DEFECT UPON THE CONTRACTOR. THIS STRUCTURE SHALL BE ADEQUATELY BRACED FOR WIND LOADS UNTIL THE ROOF, FLOOR AND WALLS HAVE BEEN PERMANENTLY FRAMED TOGETHER AND SHEATHED. INSTALL CAULKING AT FLOOR AND PLATE LINES, OPENINGS IN PLATES, CORNER STUD CAVITIES AND AROUND DOOR AND WINDOW ROUGH OPENING CAVITIES. EXHAUST ALL VENTS AND FANS DIRECTLY TO OUTSIDE VIA METAL DUCTS, PROVIDE 50 CFM (MIN) FANS TO PROVIDE 5 AIR CHANGES PER HOUR IN BATHS CONTAINING TUB AND / OR SHOWER AND IN LAUNDRY ROOMS. PROVIDE SOLID BLOCKING UNDER ALL BEARING WALLS PERPENDICULAR TO JOISTS AND OTHER BEARING POINTS NOT OTHERWISE PROVIDED WITH SUPPORT. THE GENERAL CONTRACTOR SHALL FULLY COMPLY WITH THE 2024 IRC AND ALL ADDITIONAL STATE AND LOCAL CODE REQUIREMENTS. 2024 IEC AND 2024 IMC SHALL BE USED. THE BUILDER/OWNER SHALL VERIFY THAT SITE CONDITIONS ARE CONSISTENT WITH THESE PLANS BEFORE STARTING WORK. WORK NOT SPECIFICALLY DETAILED SHALL BE CONSTRUCTED TO THE SAME QUALITY AS SIMILAR WORK THAT IS DETAILED. THE CONTRACTOR SHALL ASSUME FULL RESPONSIBILITY FOR ANY WORK KNOWINGLY PERFORMED CONTRARY TO SUCH LAWS, ORDINANCES, OR REGULATIONS. THE CONTRACTOR SHALL ALSO PERFORM COORDINATION WITH ALL UTILITIES AND STATE SERVICE AUTHORITIES. WRITTEN DIMENSIONS ON THESE DRAWINGS SHALL HAVE PRECEDENCE OVER SCALED DIMENSIONS AND GENERAL NOTES. THE GENERAL CONTRACTOR SHALL VERIFY AND IS RESPONSIBLE FOR ALL DIMENSIONS (INCLUDING ROUGH OPENINGS) AND CONDITIONS ON THE JOB. r e h t o d n a i , s n o s n e m d i , s t n e m e r u s a e m e h T C , t n e m u c o d s h i t n o n w o h s , s n o i t a c i f i c e p s l . y n o e s u n o i t c u r t s n o c r o f s e n i l i e d u g e r a 4 0 0 D 2 A C O T U A . e k i l k o o l l l i w e r u t c u r t s d e t l e p m o c e h t t a h w f o n o i t t a n e s e r p e r a s a n o d e i l e r e b t o n y a m t n e m u c o d s h T i . y r a v y a m e r u t c u r t s d e h s n i i f e h t f o s n o i t a c i f i c e p s l a u t c a e h T s e m o H y e l k e e W d i v a D 5 2 / 2 0 / 2 1 . . S T N . / 5 2 8 0 5 0 / C D 8 3 5 4 0 2 7 8 0 - - - - - T E E R T S S I A R F U A M 5 0 1 1 3 0 7 8 7 , S A X E T , N I T S U A NORTH C388-A GEN. NOTES HEMPHILL r e h t o d n a i , s n o s n e m d i , s t n e m e r u s a e m e h T C , t n e m u c o d s h i t n o n w o h s l . y n o e s u n o i t c u r t s n o c r o f , s n o i t a c i f i c e p s s e n i l i e d u g e r a 4 0 0 D 2 A C O T U A . e k i l k o o l l l i w e r u t c u r t s d e t l e p m o c e h t t a h w f o n o i t t a n e s e r p e r a s a n o d e i l e r e b t o n y a m t n e m u c o d s h T i . y r a v y a m e r u t c u r t s d e h s n i i f e h t f o s n o i t a c i f i c e p s l a u t c a e h T ' ' 0 - ' 1 = ' ' 8 / 1 5 2 / 2 0 / 2 1 / 5 2 8 0 5 0 / C D s e m o H y e l k e e W d i v a D 8 3 5 4 0 2 7 8 0 - - - - - T E E R T S S I A R F U A M 5 0 1 1 3 0 7 8 7 , S A X E T , N I T S U A NORTH C388-A PLN-1 HEMPHILL UTILITY LEGEND VISITABILITY r e h t o d n a i , s n o s n e m d i , s t n e m e r u s a e m e h T C , t n e m u c o d s h i t n o n w o h s l . y n o e s u n o i t c u r t s n o c r o f , s n o i t a c i f i c e p s s e n i l i e d u g e r a 4 0 0 D 2 A C O T U A . e k i l k o o l l l i w e r u t c u r t s d e t l e p m o c e h t t a h w f o n o i t t a n e s e r p e r a s a n o d e i l e r e b t o n y a m t n e m u c o d s h T i . y r a v y a m e r u t c u r t s d e h s n i i f e h t f o s n o i t a c i f i c e p s l a u t c a e h T ' ' 0 - ' 1 = ' ' 8 / 1 5 2 / 2 0 / 2 1 / 5 2 8 0 5 0 / C D s e m o H y e l k e e W d i v a D 8 3 5 4 0 2 7 8 1 0 - - - - - T E E R T S S I A R F U A M 5 0 1 1 3 0 7 8 7 , S A X E T , N I T S U A NORTH C388-A ELE-1 HEMPHILL r e h t o d n a i , s n o s n e m d i , s t n e m e r u s a e m e h T C , t n e m u c o d s h i t n o n w o h s l . y n o e s u n o i t c u r t s n o c r o f , s n o i t a c i f i c e p s s e n i l i e d u g e r a 4 0 0 D 2 A C O T U A . e k i l k o o l l l i w e r u t c u r t s d e t l e p m o c e h t t a h w f o n o i t t a n e s e r p e r a s a n o d e i l e r e b t o n y a m t n e m u c o d s h T i . y r a v y a m e r u t c u r t s d e h s n i i f e h t f o s n o i t a c i f i c e p s l a u t c a e h T ' ' 0 - ' 1 = ' ' 8 / 1 5 2 / 2 0 / 2 1 / 5 2 8 0 5 0 / C D s e m o H y e l k e e W d i v a D 8 3 5 4 0 2 7 8 1 0 - - - - - T E E R T S S I A R F U A M 5 0 1 1 3 0 7 8 7 , S A X E T , N I T S U A NORTH C388-A ELV-1 HEMPHILL r e h t o d n a i , s n o s n e m d i , s t n e m e r u s a e m e h T C , t n e m u c o d s h i t n o n w o h s , s n o i t a c i f i c e p s l . y n o e s u n o i t c u r t s n o c r o f s e n i l i e d u g e r a 4 0 0 D 2 A C O T U A . e k i l k o o l l l i w e r u t c u r t s d e t l e p m o c e h t t a h w f o n o i t t a n e s e r p e r a s a n o d e i l e r e b t o n y a m t n e m u c o d s h T i . y r a v y a m e r u t c u r t s d e h s n i i f e h t f o s n o i t a c i f i c e p s l a u t c a e h T ' ' 0 - ' 1 = ' ' 8 / 1 5 2 / 2 0 / 2 1 / 5 2 8 0 5 0 / C D s e m o H y e l k e e W d i v a D A B 8 3 5 4 0 2 7 8 1 0 - - - - - T E E R T S S I A R F U A M 5 0 1 1 3 0 7 8 7 , S A X E T , N I T S U A NORTH C388-A ELV-2 HEMPHILL r e h t o d n a i , s n o s n e m d i , s t n e m e r u s a e m e h T C , t n e m u c o d s h i t n o n w o h s , s n o i t a c i f i c e p s l . y n o e s u n o i t c u r t s n o c r o f s e n i l i e d u g e r a 4 0 0 D 2 A C O T U A . e k i l k o o l l l i w e r u t c u r t s d e t l e p m o c e h t t a h w f o n o i t t a n e s e r p e r a s a n o d e i l e r e b t o n y a m t n e m u c o d s h T i . y r a v y a m e r u t c u r t s d e h s n i i f e h t f o s n o i t a c i f i c e p s l a u t c a e h T ' ' 0 - ' 1 = ' ' 8 / 1 5 2 / 2 0 / 2 1 / 5 2 8 0 5 0 / C D s e m o H y e l k e e W d i v a D B A 8 3 5 4 0 2 7 8 1 0 - - - - - T E E R T S S I A R F U A M 5 0 1 1 3 0 7 8 7 , S A X E T , N I T S U A NORTH C388-A ELV-3 HEMPHILL r e h t o d n a i , s n o s n e m d i , s t n e m e r u s a e m e h T C , t n e m u c o d s h i t n o n w o h s , s n o i t a c i f i c e p s l . y n o e s u n o i t c u r t s n o c r o f s e n i l i e d u g e r a 4 0 0 D 2 A C O T U A . e k i l k o o l l l i w e r u t c u r t s d e t l e p m o c e h t t a h w f o n o i t t a n e s e r p e r a s a n o d e i l e r e b t o n y a m t n e m u c o d s h T i . y r a v y a m e r u t c u r t s d e h s n i i f e h t f o s n o i t a c i f i c e p s l a u t c a e h T ' ' 0 - ' 1 = ' ' 8 / 1 5 2 / 2 0 / 2 1 / 5 2 8 0 5 0 / C D s e m o H y e l k e e W d i v a D 8 3 5 4 0 2 7 8 1 0 - - - - - T E E R T S S I A R F U A M 5 0 1 1 3 0 7 8 7 , S A X E T , N I T S U A NORTH C388-A ELV-4 HEMPHILL r e h t o d n a i , s n o s n e m d i , s t n e m e r u s a e m e h T C , t n e m u c o d s h i t n o n w o h s , s n o i t a c i f i c e p s l . y n o e s u n o i t c u r t s n o c r o f s e n i l i e d u g e r a 4 0 0 D 2 A C O T U A . e k i l k o o l l l i w e r u t c u r t s d e t l e p m o c e h t t a h w f o n o i t t a n e s e r p e r a s a n o d e i l e r e b t o n y a m t n e m u c o d s h T i . y r a v y a m e r u t c u r t s d e h s n i i f e h t f o s n o i t a c i f i c e p s l a u t c a e h T ' ' 0 - ' 1 = ' ' 4 / 1 5 2 / 2 0 / 2 1 / 5 2 8 0 5 0 / C D s e m o H y e l k e e W d i v a D 8 3 5 4 0 2 7 8 1 0 - - - - - T E E R T S S I A R F U A M 5 0 1 1 3 0 7 8 7 , S A X E T , N I T S U A NORTH C388-A INT-1 HEMPHILL